Huajian Aluminium Industry Huajian Aluminium Industry
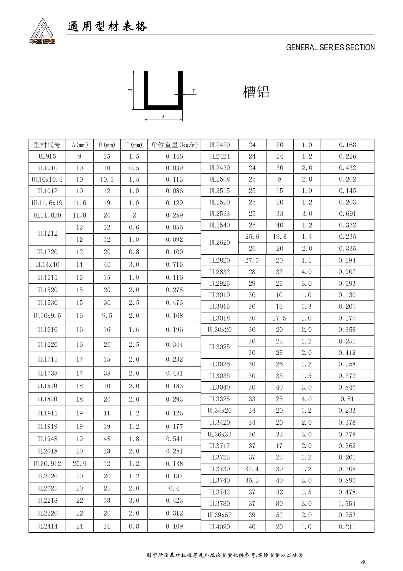
Общая таблица профилей

Профили дверей и окон

Общая таблица профилей

Преимущества продукта

·Высокопрочные профили

·Превосходные теплоизоляционные характеристики

·Оптимизация многополостной структуры

·Изоляционная лента (PA66), ведущий отечественный бренд

·Высокая атмосферостойкость, адаптируемость к экстремальным погодным условиям

Подробная информация о продукте

150+Имеется более 150 экструзионных линий общей производительностью от 600 до 10000 тонн.
80Годовая производственная мощность 800000 тонн
1313 лабораторий высокого стандарта
20+Группа имеет более чем 20-летний опыт разработки экструзии алюминия.

промышленное преимущество

  · Сырье изготовлено из алюминиевого прутка класса А, соответствующего национальному стандарту.

  ·Собственный центр пресс-форм с точностью до микрометра.

  ·150 экструзионных линий, экструдеры производительностью 10 000 тонн, высокая производственная мощность.

  ·Разнообразные виды обработки поверхности и передовые технологии.

  ·Мощные возможности для технических исследований и разработок, включая патенты и участие в разработке национальных стандартов.

  ·Гибкий и разнообразный дизайн.

  ·Сертификация по международным стандартам, поставляемая более чем в 50 стран и регионов.

  ·Поддержка крупных инженерных проектов.

  ·Комплексное обслуживание.

  ·Национальный испытательный центр, предоставляющий отчеты об испытаниях.

  ·Национальная оценка квалификации предприятий и почетные звания. Квалификация

  ·Экологическая сертификация

  ·25 лет опыта в разработке архитектурных профилей по индивидуальному заказу

Корпоративные преимущества

  Благодаря возможности разработки алюминиевых сплавов мы можем подбирать комбинации сплавов в соответствии с различными требованиями заказчиков к эксплуатационным характеристикам, что не только отвечает их потребностям в производительности и лёгкости продукции, но и обеспечивает экономию средств.

  Основываясь на требованиях к точности и производительности изделия, мы можем самостоятельно проектировать производственный маршрут, что значительно повышает производительность сварных деталей и обеспечивает размерную точность сборки.

  Возможность разрабатывать и модифицировать пресс-формы для экструзии и штамповки, снижая затраты на их разработку.

  Наличие автоматизированных линий экструзии и линий с ЧПУ снижает трудозатраты.

  Мы располагаем передовыми производственными линиями для обработки поверхности, такими как оксидирование, электрофорез и окраска, которые позволяют удовлетворить различные требования заказчиков и одновременно снизить инвестиционные затраты на оборудование.

  В настоящее время группа располагает более чем 150 экструзионными производственными линиями производительностью от 600 до 10 000 тонн с годовой производственной мощностью 800 000 тонн, из которых 40% имеют производительность более 2 000 тонн. Шестой завод, включающий в себя различные типы экструдеров производительностью от 500 до 10 000 тонн, в основном специализируется на производстве промышленных профилей и облегченных автомобильных профилей, обладая достаточной производственной мощностью для удовлетворения потребностей клиентов в экструзии различных размеров и спецификаций.

  Мы создали стандартизированный испытательный центр национального уровня, аккредитованный Национальной службой по аккредитации оценки соответствия Китая (CNAS) и Национальной службой по аккредитации оценки соответствия Китая (CMA); Группа совместно создала 13 лабораторий, отвечающих высоким стандартам, включая химическую аналитическую лабораторию, металлографическую лабораторию, лабораторию механических свойств, лабораторию физических свойств, лабораторию спектроскопии, лабораторию солевого тумана и лабораторию старения. Ключевые приборы и оборудование импортируются из таких стран, как США, Германия и Израиль.

  Опыт работы группы в области экструзии алюминия насчитывает более 20 лет. Многолетний опыт проверки и накопления позволил сформировать обширную базу данных, включая базы данных продукции, стандарты проектирования, спецификации анализа (DFMEA), PFMEA, планы контроля, данные валидации процесса и т. д.