Huajian Aluminium Industry Huajian Aluminium Industry
Серия окон с тепловым дрейфом GRPY80

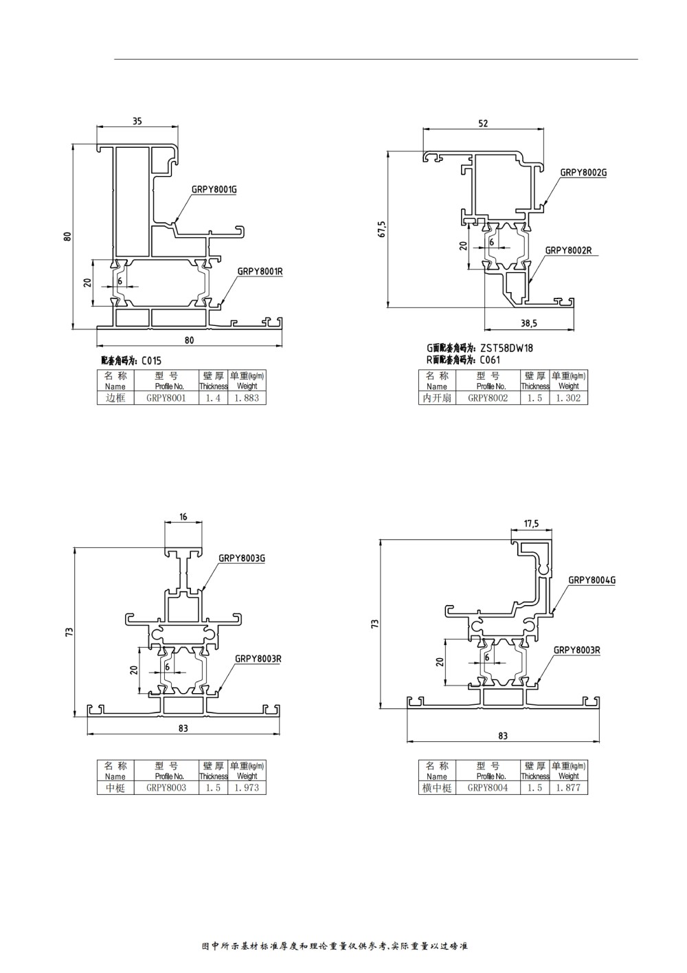
ху Ключевая настройка

Серия окон с тепловым дрейфом GRPY80

Преимущества продукта

·Высокопрочный профиль

·Выдающиеся теплоизоляционные характеристики

·Оптимизация многополостной структуры

·Изоляционная лента (ПА66) от ведущего отечественного бренда

·Высокая устойчивость к погодным условиям, адаптируемость к экстремальным климатическим условиям

Подробная информация о продукте

150+Имеется более 150 экструзионных линий общей производительностью от 600 до 10000 тонн.
80Годовая производственная мощность 800000 тонн
1313 лабораторий высокого стандарта
20+Группа имеет более чем 20-летний опыт разработки экструзии алюминия.

промышленное преимущество

·Исходное сырье – алюминиевый пруток класса А, соответствующий национальному стандарту.

·Собственный центр пресс-форм с точностью до микрометра.

·150 экструзионных линий, экструдеры производительностью 10 000 тонн, высокая производственная мощность.

·Разнообразные виды обработки поверхности и передовые технологии.

·Мощные возможности для проведения технических исследований и разработок, включая патенты и участие в разработке национальных стандартов.

·Гибкий и разнообразный дизайн.

·Сертификация по международным стандартам, поставляемая более чем в 50 стран и регионов.

·Поддержка крупных инженерных проектов.

·Комплексное обслуживание.

·Национальный испытательный центр, предоставляющий отчеты об испытаниях.

·Национальная оценка квалификации предприятий и почетная квалификация.

·Экологическая сертификация.

·25-летний опыт изготовления архитектурных профилей на заказ.

Корпоративные преимущества

  Имея возможность разрабатывать алюминиевые сплавы, мы можем подбирать комбинации сплавов в соответствии с различными требованиями заказчиков к эксплуатационным характеристикам, что не только отвечает их потребностям в производительности и лёгкости продукции, но и обеспечивает экономию средств.

  Исходя из требований к точности и эксплуатационным характеристикам изделия, мы можем самостоятельно проектировать производственный маршрут, что значительно повышает производительность сварных деталей и обеспечивает размерную точность сборки.

  Имея возможность разрабатывать и модифицировать пресс-формы для экструзии и штамповки, мы снижаем затраты на их разработку.

  Наличие автоматизированных линий экструзии и линий с ЧПУ снижает трудозатраты.

  У нас есть передовые производственные линии для обработки поверхности, такие как оксидирование, электрофорез и окраска, которые позволяют удовлетворить различные требования заказчиков и одновременно снизить инвестиционные затраты на оборудование.

  В настоящее время группа располагает более чем 150 экструзионными производственными линиями производительностью от 600 до 10 000 тонн с годовой производственной мощностью 800 000 тонн, из которых 40% имеют производительность более 2 000 тонн. Включая различные спецификации экструдеров от 500 до 10 000 тонн, Шестой завод в основном специализируется на производстве промышленных профилей и легких автомобильных профилей, имея достаточную производственную мощность для удовлетворения потребностей клиентов в экструзии различных размеров и спецификаций.

  Мы создали стандартизированный испытательный центр национального уровня, который был аккредитован Китайской национальной службой по аккредитации оценки соответствия (CNAS) и Китайской национальной службой по аккредитации оценки соответствия (CMA); Совместно созданы 13 лабораторий высокого стандарта, включая химическую аналитическую лабораторию, металлографическую лабораторию, лабораторию механических свойств, лабораторию физических свойств, лабораторию спектроскопии, лабораторию солевого тумана и лабораторию старения. Ключевые приборы и оборудование импортируются из таких стран, как США, Германия и Израиль.

  Опыт группы в области экструзии алюминия насчитывает более 20 лет. Годы исследований и накопления позволили сформировать обширную базу данных, включая базы данных по продукции, стандарты проектирования, спецификации анализа (DFMEA, PFMEA), планы контроля, данные валидации процесса и т. д.